Choose your country
Go to your local Sikla page and discover offers for your country or sales region:
Country
Type A



Group: A299
Part number 113024
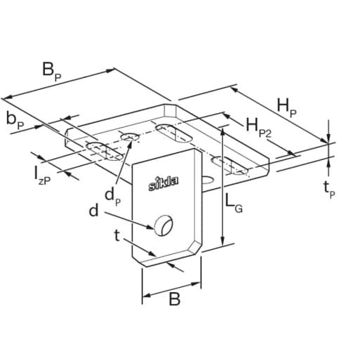
Connecting component for direct attachment of rod hanger assemblies to the siFramo 100 system
Pre-welded Eye-Plate serves as a base for connecting Rod Hanger Load Chain Assembly LKV (sizes M10 to M16) and Pipe Clamps type Stabil Form C LK

B | 45 mm |
BP | 80 mm |
BP1 | 50 mm |
d | 13 mm |
dP | 11 mm |
HP | 110 mm |
HP2 | 80 mm |
IZP | 20 mm |
LG | 73 mm |
t | 8 mm |
tP | 8 mm |
-VZ,perm. | 12,10 kN |
The implementation and construction requirements of the components, their design as well as their verifications and load tests were carried out following the standards VGB R 510 L part I, KTA 3205.3 and DIN EN 13480-3.
Primary element material | steel |
Surface finish | HCP |
Corrosion protection class | C4 |
The siFramo Eye-Plate HP F 80 is fastened to the supporting siFramo 80 section by means of 4no. FLS F screws. The siFramo Eye-Plate can also be fastened directly to concrete by means of 2no. M10 anchors.
Type A: Load Chain runs crosswise to the beam
Type B: Load Chain runs longitudinally to the beam
Certification
