Choose your country
Go to your local Sikla page and discover offers for your country or sales region:
Country



Group: 1406
Part number 196298
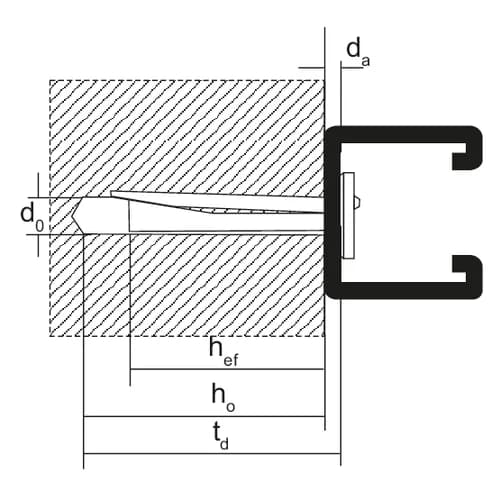
Suitable for push-through mounting in concrete walls and ceilings in dry indoor areas
Quick and safe fixation of components without much effort
Fire Resistance 30 min | 0,8 kN |
Fire Resistance 60 min | 0,7 kN |
Fire Resistance 90 min | 0,6 kN |
Fire Resistance 120 min | 0,4 kN |
Primary element material | steel |
Surface finish | electro galvanized (Fe//Zn) |
Corrosion protection class | C2 |
Setting Tool PN is most suited for mounting purposes.
PDF (1.62 MB)
Certification


ETA-Approval: ETA-06/0259
Approved in the tensile zone for multiple mounting solutions to concrete exposed to mainly dead static loading.