Choose your country
Go to your local Sikla page and discover offers for your country or sales region:
Country




Group: 1406
Part number 112152
Suitable for quick and secure mounting of components to concrete ceilings or walls
Internal dual thread M8/M10 allows easy connection of components directly to the Nail Anchor
FRP 30 | 0,6 kN |
FRP 60 | 0,6 kN |
FRP 90 | 0,6 kN |
FRP 120 | 0,5 kN |
Material base body | steel |
Class | 5.8 |
Surface | electro galvanized (Fe//Zn) |
Corossion class | C2 |
Certification




Sikla approval ETA-13/0048
For the multiple use for non-structural applications in concrete (min. C12/15 and max. C50/60). Fire protection testing, VdS-conform
Fast and simple setting of the Nail Anchor AN N M8/M10:
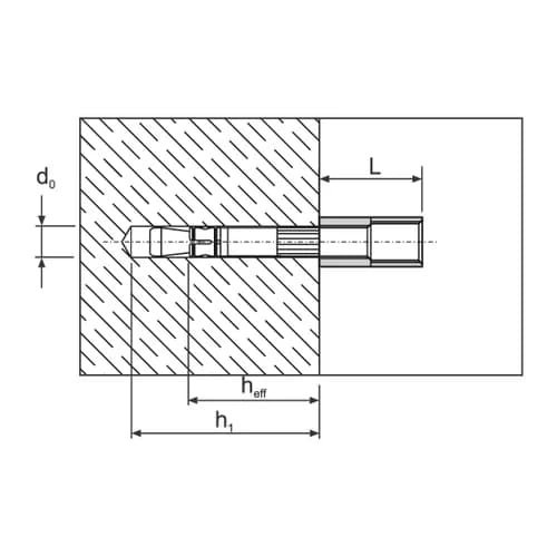
1. Drilling
2. Cleaning of bore hole
3. Hammer in - ready!
PDF (1.47MB)
PDF (0.23MB)
PDF (4.09MB)
PDF (0.69MB)